
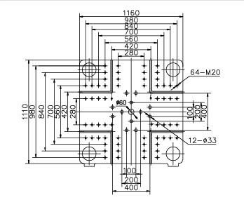
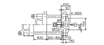
Спецификация Haixiong HXM 488-1




Купить термопластавтомат HXM 488-1 – инновации и высококачественные функции для стабильного производства
Термопластавтомат HXM 488-1 – это инновационное решение в области гидравлических литьевых машин. Модель HXM 488-1 реализует передовые технологии: управление кольцом клапана давления и согласование подачи и потребления энергии, что отражает современные тенденции развития оборудования для литья под давлением.
Управление кольцом клапана давления: фактическое давление в реальном времени сравнивается с заданным, и система выполняет коррекцию до тех пор, пока они не совпадут полностью.
Согласование подачи и потребления энергии: энергосистема ТПА HXM 488-1 подаёт только необходимое количество энергии, снижая потери и повышая эффективность работы.
Супер энергосбережение
Экономия энергии до 40% по сравнению с системой с регулируемым насосом.
Экономия энергии до 60% по сравнению с системой с фиксированным насосом и двигателем постоянной скорости (фактический эффект зависит от производимого изделия).
Высокая точность и скорость реакции
Термопластавтомат HXM 488-1 оснащён высокочувствительными датчиками давления и поворотными энкодерами. Замкнутый контур управления давлением и расходом обеспечивает повторяемость с точностью менее 1%.
Серводвигатель HXM 488-1 выходит на максимальную мощность всего за 0,05 секунды.
Низкий уровень шума
Уровень шума ТПА HXM 488-1 не превышает 78 дБ.
При остановке движений серводвигатель выключается, и шум практически отсутствует.
Экономия охлаждающей воды
Благодаря отсутствию перегрева в системе с количественным насосом и двигателем постоянной скорости температура гидравлического масла остаётся низкой. Это значительно сокращает расход охлаждающей воды.
Новая структура пресс-формы
HXM 488-1 оснащён пятиточечным коленно-рычажным зажимным механизмом с внутренним вращением. Литая цельная конструкция соединительного стержня и шаблона, усиленная методом конечных элементов, снижает напряжение и деформацию, повышая жёсткость и точность зажимного узла.
Новая система питания
Силовой блок ТПА HXM 488-1 состоит из:
серводвигателя,
сервопривода,
датчика давления,
вращающегося энкодера,
шестерёнчатого насоса,
специализированного контроллера для машин литья под давлением.
Такое решение максимально эффективно обеспечивает термопластавтомат HXM 488-1 энергией, снижая затраты и повышая производительность.
Позвоните по телефону указанном на сайте, наши менеджеры вам подробно расскажут про это оборудование, сроки и условия доставки. Сделаем индивидуальное коммерческое предложение.
Мы индивидуально работаем с каждым заказчиком, все будет зависеть от ваших потребностей, мы подберем нужное вам оборудование и сделает отличное ценовое предложение с доставкой в Россию.