
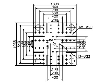
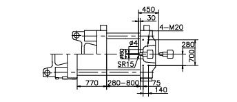
Спецификация Haixiong HXM 428-2




Купить термопластавтомат HXM 428-2 – инновации и высококачественные функции для стабильного производства
Термопластавтомат HXM 428-2 – это «новый прорыв» в области гидравлических литьевых машин. В модели HXM 428-2 реализованы такие современные технологии, как управление кольцом клапана давления и согласование подачи и потребления энергии, что соответствует ведущим мировым тенденциям развития ТПА.
Управление кольцом клапана давления: фактическое давление в реальном времени сравнивается с заданным, и система корректирует его до полного совпадения.
Согласование спроса и предложения электроэнергии: система питания термопластавтомата HXM 428-2 обеспечивает именно то количество энергии, которое требуется для работы, что позволяет минимизировать потери.
Супер энергосбережение
До 40% экономии энергии по сравнению с системой с регулируемым насосом.
До 60% экономии энергии по сравнению с системой с фиксированным насосом и двигателем постоянной скорости (фактический эффект зависит от производимого изделия).
Высокая точность и скорость реакции
ТПА HXM 428-2 оснащён высокоточными датчиками давления и поворотными энкодерами. Замкнутый контур управления давлением и расходом обеспечивает повторяемость с погрешностью менее 1%.
Серводвигатель термопластавтомата HXM 428-2 выходит на максимальную мощность всего за 0,05 секунды.
Низкий уровень шума
Уровень шума HXM 428-2 не превышает 78 дБ.
Когда машина не выполняет движение, серводвигатель полностью останавливается, и шум практически отсутствует.
Экономия охлаждающей воды
Отсутствие перегрева системы с количественным насосом и двигателем постоянной скорости обеспечивает низкую температуру гидравлического масла, что значительно сокращает расход охлаждающей воды.
Новая структура пресс-формы
ТПА HXM 428-2 использует пятиточечный коленно-рычажный зажимной механизм с внутренним вращением. Литая цельная конструкция соединительного стержня и шаблона, усиленная методом конечных элементов, снижает напряжение и деформацию, повышая жёсткость и точность зажимного узла.
Новая система питания
Энергетическая система термопластавтомата HXM 428-2 включает:
серводвигатель,
сервопривод,
датчик давления,
вращающийся энкодер,
шестерёнчатый насос,
специализированный контроллер для машин литья под давлением.
Такое решение максимально эффективно обеспечивает ТПА HXM 428-2 энергией для стабильной и экономичной работы.
Позвоните по телефону указанном на сайте, наши менеджеры вам подробно расскажут про это оборудование, сроки и условия доставки. Сделаем индивидуальное коммерческое предложение.
Мы индивидуально работаем с каждым заказчиком, все будет зависеть от ваших потребностей, мы подберем нужное вам оборудование и сделает отличное ценовое предложение с доставкой в Россию.