
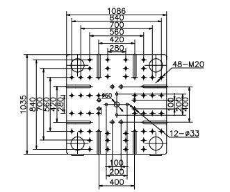
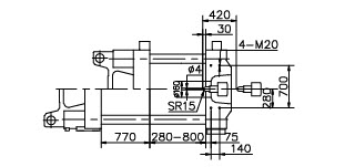
Спецификация Haixiong HXM 428-1




Купить термопластавтомат HXM 428-1 – инновации и высококачественные функции для стабильного производства
Термопластавтомат HXM 428-1 представляет собой «новый прорыв» в области гидравлических литьевых машин. В нём реализованы инновационные технологии: управление кольцом клапана давления и согласование подачи и потребления энергии, что соответствует ведущим тенденциям развития оборудования для литья под давлением.
Управление кольцом клапана давления – фактическое давление сравнивается с заданным в режиме реального времени, и система корректирует его до достижения полной идентичности.
Согласование спроса и предложения на электроэнергию – система питания подаёт ровно столько энергии, сколько необходимо для работы ТПА HXM 428-1, минимизируя потери.
Супер энергосбережение
Экономия до 40% энергии по сравнению с системами с регулируемым насосом.
Экономия до 60% энергии по сравнению с системами с фиксированным насосом и двигателем постоянной скорости (фактический эффект зависит от производимого изделия).
Высокая точность и скорость реакции
Термопластавтомат HXM 428-1 оснащён высокоточными датчиками давления и поворотными энкодерами. Замкнутый контур управления давлением и расходом обеспечивает повторяемость с погрешностью менее 1%.
Серводвигатель HXM 428-1 достигает максимальной выходной мощности всего за 0,05 секунды.
Низкий уровень шума
Уровень шума не превышает 78 дБ.
Когда ТПА HXM 428-1 находится в режиме ожидания, серводвигатель полностью останавливается, и шум практически отсутствует.
Экономия охлаждающей воды
Благодаря отсутствию перегрева системы с количественным насосом и двигателем постоянной скорости, температура гидравлического масла остаётся низкой. Это значительно снижает потребность в охлаждающей воде.
Новая структура пресс-формы
В конструкции HXM 428-1 применяется пятиточечный коленно-рычажный зажимной механизм с внутренним вращением. Соединительный стержень и литой цельный шаблон, усиленные методом конечных элементов, снижают напряжение и деформацию, повышая жёсткость и точность зажимного узла.
Новая система питания
Силовая часть ТПА HXM 428-1 состоит из:
серводвигателя,
сервопривода,
датчика давления,
вращающегося энкодера,
шестерёнчатого насоса,
специализированного контроллера для машин литья под давлением.
Такое решение максимально эффективно удовлетворяет потребности термопластавтомата HXM 428-1 в подаче энергии.
Позвоните по телефону указанном на сайте, наши менеджеры вам подробно расскажут про это оборудование, сроки и условия доставки. Сделаем индивидуальное коммерческое предложение.
Мы индивидуально работаем с каждым заказчиком, все будет зависеть от ваших потребностей, мы подберем нужное вам оборудование и сделает отличное ценовое предложение с доставкой в Россию.