
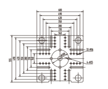
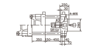
Спецификация Haixiong HXM98




Термопластавтомат HXM 98 – энергоэффективное решение для современного производства
Супер энергосбережение
Термопластавтомат HXM 98 обеспечивает экономию энергии до 40% по сравнению с регулируемой насосной системой и до 60% в сравнении со стационарным насосом с двигателем фиксированной частоты вращения. В зависимости от типа продукции эффект энергосбережения может варьироваться, но в любом случае он значительно снижает производственные расходы.
Высокая точность и быстрый отклик
Благодаря использованию высокоточных датчиков давления и поворотных энкодеров реализован замкнутый контур управления давлением и расходом. Ошибка повторного цикла составляет менее 1%. Серводвигателю требуется всего 0,05 секунды, чтобы выйти на максимальную мощность, что обеспечивает стабильную и точную работу оборудования.
Низкий уровень шума
Уровень шума работы машины не превышает 78 дБ. Когда термопластавтомат не выполняет операций, серводвигатель полностью останавливается, что делает работу практически бесшумной.
Экономия охлаждающей воды
Применение системы без стационарного насоса с двигателем фиксированной частоты вращения снижает температуру гидравлического масла. Это значительно уменьшает потребление охлаждающей воды, что дополнительно снижает эксплуатационные расходы.
Новая зажимная конструкция
Пятиточечный шарнирный механизм, усиленный методом конечных элементов, в сочетании с литым шатуном и прочным шаблоном обеспечивает высокую жесткость конструкции. Такая система снижает уровень деформации и увеличивает срок службы оборудования, повышая точность работы.
Почему стоит выбрать HXM 98?
Если вы ищете надежное и современное оборудование для производства, обратите внимание на эту модель.
✅ Купить термопластавтомат HXM 98 – значит инвестировать в энергоэффективное и точное оборудование.
✅ Для бизнеса, который ценит надежность и экономичность, выгодным решением будет купить ТПА HXM 98.
Такое оборудование позволит снизить расходы, повысить точность и производительность, а также оптимизировать использование ресурсов.
Позвоните по телефону указанном на сайте, наши менеджеры вам подробно расскажут про это оборудование, сроки и условия доставки. Сделаем индивидуальное коммерческое предложение.
Мы индивидуально работаем с каждым заказчиком, все будет зависеть от ваших потребностей, мы подберем нужное вам оборудование и сделает отличное ценовое предложение с доставкой в Россию.