
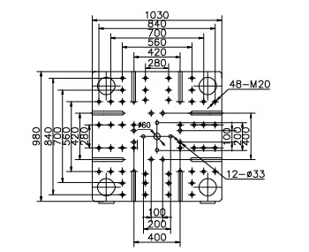
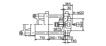
Спецификация Haixiong HXM368-1




Купить термопластавтомат HXM 368-1 – инновации и высококачественные функции для стабильного производства
Современное производство требует оборудования, которое сочетает энергоэффективность, точность и надёжность. Если вы планируете купить термопластавтомат HXM 368-1, вы получаете современный ТПА, созданный с учётом актуальных тенденций развития гидравлических машин.
Новый прорыв в технологии литья под давлением
ТПА HXM 368-1 реализует передовые решения:
Управление кольцом клапана давления – фактическое давление сравнивается с заданным в реальном времени. Система автоматически корректирует параметры, обеспечивая стабильную работу.
Согласование подачи и потребления энергии – машина потребляет ровно столько электроэнергии, сколько необходимо, что снижает издержки и минимизирует потери.
Супер энергосбережение
При выборе ТПА HXM 368-1 вы значительно сокращаете расходы на электроэнергию:
до 40% экономии по сравнению с системой с регулируемым насосом,
до 60% экономии по сравнению с оборудованием с фиксированным насосом и двигателем постоянной скорости.
(Итоговые показатели зависят от типа продукции.)
Высокая точность и скорость реагирования
Высокоточные датчики давления и поворотные энкодеры обеспечивают замкнутый контур управления с точностью повторения менее 1%.
Серводвигатель достигает максимальной мощности всего за 0,05 секунды, что ускоряет производственный процесс.
Минимальный уровень шума
Рабочий шум не превышает 78 дБ.
Когда машина находится в состоянии покоя, серводвигатель останавливается, и оборудование становится практически бесшумным.
Экономия охлаждающей воды
Отсутствие перегрева двигателя и количественного насоса.
Низкая температура гидравлического масла позволяет значительно снизить расход охлаждающей жидкости.
Новая структура пресс-формы
Пятиточечный коленно-рычажный зажимной механизм с внутренним вращением.
Укреплённая цельнолитая конструкция, усиленная методом конечных элементов.
Снижение напряжений и деформаций, повышение точности и жёсткости зажимной системы.
Современная система питания
Система питания термопластавтомата HXM 368-1 включает:
серводвигатель,
сервопривод,
датчик давления,
вращающийся энкодер,
шестеренчатый насос,
специализированный контроллер.
Такая конфигурация обеспечивает стабильную и энергоэффективную работу машины.
✅ Если вы хотите купить ТПА HXM 368-1, то выбираете современное оборудование с высококачественными функциями, которое поможет повысить производительность и снизить издержки на предприятии.
Позвоните по телефону указанном на сайте, наши менеджеры вам подробно расскажут про это оборудование, сроки и условия доставки. Сделаем индивидуальное коммерческое предложение.
Мы индивидуально работаем с каждым заказчиком, все будет зависеть от ваших потребностей, мы подберем нужное вам оборудование и сделает отличное ценовое предложение с доставкой в Россию.