
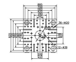
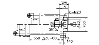
Спецификация Haixiong HXM268




Купить термопластавтомат HXM 268 – современное решение для эффективного производства
Если вы планируете расширить производство и ищете надежное оборудование, обратите внимание на возможность купить термопластавтомат HXM 268. Это высокотехнологичная литьевая машина, которая отличается энергоэффективностью, точностью и долговечностью. Выбирая этот вариант, вы получаете современное оборудование с высококачественными функциями, позволяющими повысить продуктивность и снизить издержки.
Новый прорыв в области гидравлических машин
Термопластавтомат HXM 268 воплощает актуальные инновации:
Управление кольцом клапана давления – система постоянно сравнивает фактическое давление с заданным и автоматически корректирует показатели, добиваясь идеальной стабильности.
Согласование подачи и потребления энергии – машина потребляет ровно столько энергии, сколько необходимо для выполнения операций, что исключает перерасход.
Супер энергосбережение
Выбирая ТПА HXM 268, вы получаете до:
40% экономии энергии по сравнению с оборудованием с регулируемым насосом.
60% экономии энергии по сравнению с системами с фиксированным насосом и двигателем постоянной скорости.
(Эффективность зависит от вида выпускаемой продукции.)
Высокая точность и скорость реагирования
Современные датчики давления и энкодеры обеспечивают повторяемость результатов с точностью менее 1%.
Серводвигатель выходит на максимальную мощность за 0,05 секунды, что повышает эффективность производственного цикла.
Минимальный уровень шума
При работе уровень шума не превышает 78 дБ.
В состоянии покоя двигатель полностью останавливается, и машина становится практически бесшумной.
Экономия охлаждающей воды
Система исключает перегрев двигателя и насоса.
Благодаря низкой температуре гидравлического масла значительно снижается расход охлаждающей жидкости.
Современная структура пресс-формы
Пятиточечный коленно-рычажный зажимной механизм, усиленный методом конечных элементов, обеспечивает:
снижение напряжений и деформаций,
повышение жесткости и точности зажима.
Новая система питания
Конструкция включает:
серводвигатель,
сервопривод,
датчик давления,
вращающийся энкодер,
шестеренчатый насос,
специализированный контроллер.
Такой набор обеспечивает надежную и точную работу машины при минимальном энергопотреблении.
Позвоните по телефону указанном на сайте, наши менеджеры вам подробно расскажут про это оборудование, сроки и условия доставки. Сделаем индивидуальное коммерческое предложение.
Мы индивидуально работаем с каждым заказчиком, все будет зависеть от ваших потребностей, мы подберем нужное вам оборудование и сделает отличное ценовое предложение с доставкой в Россию.